Nuestros Accesorios de Resina Poliester Reforzado con Fibra de Vidrio son fabricados por la combinación de dos métodos.
El Liner o Barrera química construida por laminado manual (Hand Lay Up) y el refuerzo mecánico realizado mayormente tambien por laminado manual pero en ciertas condiciones por una operación de enrrollamiento de fibras impregnadas con resina (Filament Winding) que le aporta aproximadamente el doble de la resistencia mecánica.
El acabado exterior del tubo se realiza con GelCoat (este producto se prepara segun requerimientos, ademas del color y la proteccion Anti UV, se le puede agregar aditivos para ser conductores de electricidad o bajar el punto de inflamabilidad.)
Se realizan según los lineamiento de las normas ASTM o AWWA M45
Proceso: Laminado manual + Filament winding. o 100% laminado manual según la necesidad.
Terminación interior espejo con rugosidad de 25 micrones.
Presión máxima 150 PSI
Temperatura máxima 140 °C
Barrera anticorrosiva:1 a 5mm
Resinas: Vinilester, Bisfenolicas, Isoftalica, Tereftalicas, Ortoftalicas
Diámetros: de 1” a 24” para diámetros mayores consultar
ir a GALERÍA DE ACCESORIOS
A CONTINUACIÓN TABLA DE DIMENSIONES ACCESORIOS STANDARD
TEE NORMAL y TEE REDUCCION

| DN | Di | |||||||||||||||
| 1″ | 1 1/2″ | 2″ | 2 1/2″ | 3″ | 4″ | 6″ | 8″ | 10″ | 12″ | 14″ | 16″ | 18″ | 20″ | 24″ | ||
| A | 300 | 300 | 300 | 350 | 350 | 400 | 500 | 600 | 700 | 800 | 900 | 1000 | 1100 | 1200 | 1300 | |
| Valores de «a» | ||||||||||||||||
| DN | di | |||||||||||||||
| 1″ | 1 1/2″ | 2″ | 2 1/2″ | 3″ | 4″ | 6″ | 8″ | 10″ | 12″ | 14″ | 16″ | 18″ | 20″ | 24″ | ||
| 1″ | 150 | 150 | 150 | 175 | 175 | 200 | 225 | 250 | 275 | 300 | 325 | 350 | 375 | 400 | 425 | |
| 1 1/2″ | – | 150 | 150 | 175 | 175 | 200 | 225 | 250 | 275 | 300 | 325 | 350 | 375 | 400 | 425 | |
| 2″ | – | – | 150 | 175 | 175 | 200 | 225 | 250 | 275 | 300 | 325 | 350 | 375 | 400 | 425 | |
| 2 1/2″ | – | – | – | 175 | 175 | 200 | 225 | 275 | 300 | 325 | 350 | 375 | 400 | 425 | 450 | |
| 3″ | – | – | – | – | 175 | 200 | 225 | 275 | 300 | 325 | 350 | 375 | 400 | 425 | 450 | |
| 4″ | – | – | – | – | – | 200 | 250 | 275 | 300 | 325 | 350 | 375 | 400 | 425 | 450 | |
| 6″ | – | – | – | – | – | – | 250 | 275 | 300 | 325 | 375 | 400 | 425 | 450 | 475 | |
| 8″ | – | – | – | – | – | – | – | 300 | 325 | 350 | 375 | 400 | 425 | 450 | 500 | |
| 10″ | – | – | – | – | – | – | – | – | 350 | 350 | 400 | 450 | 450 | 475 | 500 | |
| 12″ | – | – | – | – | – | – | – | – | – | 400 | 400 | 450 | 450 | 475 | 500 | |
| 14″ | – | – | – | – | – | – | – | – | – | – | 450 | 475 | 475 | 500 | 525 | |
| 16″ | – | – | – | – | – | – | – | – | – | – | – | 500 | 500 | 525 | 550 | |
| 18″ | – | – | – | – | – | – | – | – | – | – | – | – | 550 | 550 | 600 | |
| 20″ | – | – | – | – | – | – | – | – | – | – | – | – | – | 600 | 600 | |
| 24″ | – | – | – | – | – | – | – | – | – | – | – | – | – | – | 650 | |
CODO RADIO 90° y 45° por curvas consultar

| DN | Di | R=H | DN | Di | R | |
| 1″ | 25,4 | 38 | 1″ | 25,4 | 38 | |
| 1 1/2″ | 38,1 | 57 | 1 1/2″ | 38,1 | 57 | |
| 2″ | 50,8 | 75 | 2″ | 50,8 | 75 | |
| 2 1/2″ | 63,5 | 95 | 2 1/2″ | 63,5 | 95 | |
| 3″ | 76,2 | 114 | 3″ | 76,2 | 114 | |
| 4″ | 101,6 | 150 | 4″ | 101,6 | 150 | |
| 6″ | 152,4 | 229 | 6″ | 152,4 | 229 | |
| 8″ | 200,0 | 300 | 8″ | 200,0 | 300 | |
| 10″ | 250,0 | 375 | 10″ | 250,0 | 375 | |
| 12″ | 300,0 | 450 | 12″ | 300,0 | 450 | |
| 14″ | 350,0 | 525 | 14″ | 350,0 | 525 | |
| 16″ | 400,0 | 600 | 16″ | 400,0 | 600 | |
| 18″ | 450,0 | 675 | 18″ | 450,0 | 675 | |
| 20″ | 500,0 | 750 | 20″ | 500,0 | 750 | |
| 24″ | 600,0 | 900 | 24″ | 600,0 | 900 |
REDUCCIÓN CONCENTRICA Y EXCENTRICA

| DN x dn | L | DN x dn | L | |
| m m | m m | |||
| 1 1/2″ x 1″ | 100 | 16″ x 10″ | 350 | |
| 2″ x 1″ | 100 | 16″ x 12″ | 250 | |
| 3″ x 1 1/2″ | 100 | 16″ x 14″ | 250 | |
| 3″ x 2″ | 100 | 18″ x 8″ | 625 | |
| 4″ x 2″ | 100 | 18″ x 10″ | 500 | |
| 4″ x 3″ | 100 | 18″ x 12″ | 375 | |
| 5″ x 3″ | 185 | 18″ x 14″ | 250 | |
| 6″ x 4″ | 125 | 18″ x 16″ | 125 | |
| 8″ x 4″ | 250 | 20″ x 8″ | 750 | |
| 8″ x 6″ | 125 | 20″ x 10″ | 625 | |
| 10″ x 14″ | 300 | 20″ x 12″ | 500 | |
| 10″ x 6″ | 250 | 20″ x 14″ | 375 | |
| 10″ x 8″ | 200 | 20″ x 16″ | 250 | |
| 12″ x 16″ | 375 | 20″ x 18″ | 125 | |
| 12″ x 8″ | 200 | 24″ x 10″ | 875 | |
| 12″ x 10″ | 250 | 24″ x 12″ | 750 | |
| 14″ x 8″ | 375 | 24″ x 14″ | 625 | |
| 14″ x 10″ | 250 | 24″ x 16″ | 500 | |
| 14″ x 12″ | 125 | 24″ x 18″ | 375 | |
| 16″ x 8″ | 350 | 24″ x 20″ | 250 |
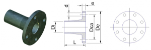
BRIDAS CON CHICOTE
NORMAS DE AGUJEREADO ANSI B 16.5, PARA 150 PSI

| DN | Di | L | e | De | Dca | d | Z |
| 1″ | 25,4 | 150 | 15 | 114,0 | 79,4 | 16 | 4 |
| 1 1/2″ | 38,1 | 150 | 15 | 126,5 | 98,4 | 16 | 4 |
| 2″ | 50,8 | 150 | 17 | 164,4 | 120,6 | 19 | 4 |
| 2 1/2″ | 63,5 | 150 | 20 | 183,4 | 139,7 | 19 | 4 |
| 3″ | 76,2 | 150 | 21 | 195,4 | 152,4 | 19 | 4 |
| 4″ | 101,6 | 150 | 25 | 233,4 | 190,5 | 19 | 8 |
| 6″ | 152,4 | 200 | 27 | 290,2 | 241,3 | 22 | 8 |
| 8″ | 200,0 | 200 | 29 | 247,2 | 288,4 | 22 | 8 |
| 10″ | 250,0 | 250 | 36 | 417,0 | 362 | 25 | 12 |
| 12″ | 300,0 | 250 | 41 | 487,0 | 431,8 | 25 | 12 |
| 14″ | 350,0 | 300 | 43 | 537,0 | 476,2 | 29 | 12 |
| 16″ | 400,0 | 300 | 50 | 601,0 | 539,7 | 29 | 16 |
| 18″ | 450,0 | 300 | 53 | 644,6 | 577,8 | 32 | 16 |
| 20″ | 500,0 | 300 | 55 | 701,6 | 636 | 32 | 20 |
| 24″ | 600,0 | 300 | 62 | 821,5 | 749,3 | 35 | 20 |
BRIDAS CON CHICOTE
NORMAS DE AGUJEREADO DIN 2501, PARA 150 PSI
| DN | Di | L | e | De | Dca | d | Z |
| 1″ | 25,4 | 150 | 15 | 115,0 | 85 | 14,0 | 4 |
| 1 1/2″ | 38,1 | 150 | 15 | 150,0 | 110 | 18,0 | 4 |
| 2″ | 50,8 | 150 | 17 | 165,0 | 125 | 18,0 | 4 |
| 2 1/2″ | 63,5 | 150 | 20 | 185,0 | 145 | 18,0 | 8 |
| 3″ | 76,2 | 150 | 21 | 200,0 | 160 | 18,0 | 8 |
| 4″ | 101,6 | 150 | 25 | 220,0 | 180 | 18,0 | 8 |
| 5″ | 127,0 | 150 | 26 | 250,0 | 210 | 18,0 | 8 |
| 6″ | 152,4 | 200 | 27 | 285,0 | 240 | 22,0 | 8 |
| 8″ | 200,0 | 200 | 29 | 340,0 | 295 | 22,0 | 8 |
| 10″ | 250,0 | 250 | 36 | 395,0 | 350 | 22,0 | 12 |
| 12″ | 300,0 | 250 | 41 | 445,0 | 400 | 22,0 | 12 |
| 14″ | 350,0 | 300 | 43 | 505,0 | 460 | 22,0 | 16 |
| 16″ | 400,0 | 300 | 50 | 565,0 | 515 | 26,0 | 16 |
| 18″ | 450,0 | 300 | 53 | 615,0 | 565 | 26,0 | 20 |
| 20″ | 500,0 | 300 | 55 | 670,0 | 620 | 26,0 | 20 |
| 24″ | 600,0 | 300 | 62 | 780,0 | 725 | 30,0 | 20 |
BRIDAS VAN STONE CON COLLAR GIRATORIO (CONJUNTO )
NORMAS DE AGUJEREADO ANSI B 16.5, PARA 150 PSI

| DN | Di | L | e | t | Da | Dca | De | d | Z |
| 1″ | 25,4 | 150 | 12 | 14 | 114,0 | 79,4 | 55 | 16 | 4 |
| 1 1/2″ | 38,1 | 150 | 14 | 16 | 126,5 | 98,4 | 78 | 16 | 4 |
| 2″ | 50,8 | 150 | 14 | 18 | 164,4 | 120,6 | 92 | 19 | 4 |
| 2 1/2″ | 63,5 | 150 | 15 | 20 | 183,4 | 139,7 | 105 | 19 | 4 |
| 3″ | 76,2 | 150 | 16 | 22 | 195,4 | 152,4 | 127 | 19 | 4 |
| 4″ | 101,6 | 150 | 18 | 24 | 233,4 | 190,5 | 158 | 19 | 8 |
| 6″ | 152,4 | 200 | 22 | 30 | 290,2 | 241,3 | 216 | 22 | 8 |
| 8″ | 200,0 | 200 | 25 | 33 | 247,2 | 288,4 | 270 | 22 | 8 |
| 10″ | 250,0 | 250 | 28 | 36 | 417,0 | 362 | 324 | 25 | 12 |
| 12″ | 300,0 | 250 | 30 | 43 | 487,0 | 431,8 | 381 | 25 | 12 |
| 14″ | 350,0 | 300 | 32 | 56 | 537,0 | 476,2 | 413 | 29 | 12 |
| 16″ | 400,0 | 300 | 35 | 62 | 601,0 | 539,7 | 470 | 29 | 16 |
| 18″ | 450,0 | 300 | 37 | 70 | 644,6 | 577,8 | 527 | 32 | 16 |
| 20″ | 500,0 | 300 | 38 | 79 | 701,6 | 636 | 585 | 32 | 20 |
| 24″ | 600,0 | 300 | 45 | 95 | 821,5 | 749,3 | 692 | 35 | 20 |
Z = CANTIDAD DE AGUJEROS
COLLARIN DE PRFV DE 1” HASTA 24”
BRIDAS VAN STONE CON COLLAR GIRATORIO (CONJUNTO )
NORMAS DE AGUJEREADO DIN 2501, PARA 150 PSI
| DN | Di | L | e | t | Da | Dca | De | d | Z |
| 1″ | 25,4 | 150 | 14 | 14 | 115,0 | 85 | 68 | 14,0 | 4 |
| 1 1/2″ | 38,1 | 150 | 14 | 16 | 150,0 | 110 | 88 | 18,0 | 4 |
| 2″ | 50,8 | 150 | 16 | 18 | 165,0 | 125 | 102 | 18,0 | 4 |
| 2 1/2″ | 63,5 | 150 | 16 | 20 | 185,0 | 145 | 122 | 18,0 | 8 |
| 3″ | 76,2 | 150 | 16 | 22 | 200,0 | 160 | 138 | 18,0 | 8 |
| 4″ | 101,6 | 150 | 18 | 24 | 220,0 | 180 | 158 | 18,0 | 8 |
| 5″ | 127,0 | 150 | 18 | 27 | 250,0 | 210 | 188 | 18,0 | 8 |
| 6″ | 152,4 | 200 | 20 | 30 | 285,0 | 240 | 212 | 22,0 | 8 |
| 8″ | 200,0 | 200 | 20 | 33 | 340,0 | 295 | 268 | 22,0 | 8 |
| 10″ | 250,0 | 250 | 22 | 36 | 395,0 | 350 | 320 | 22,0 | 12 |
| 12″ | 300,0 | 250 | 22 | 43 | 445,0 | 400 | 3700 | 22,0 | 12 |
| 14″ | 350,0 | 300 | 22 | 56 | 505,0 | 460 | 430 | 22,0 | 16 |
| 16″ | 400,0 | 300 | 24 | 62 | 565,0 | 515 | 482 | 26,0 | 16 |
| 18″ | 450,0 | 300 | 24 | 70 | 615,0 | 565 | 532 | 26,0 | 20 |
| 20″ | 500,0 | 300 | 26 | 79 | 670,0 | 620 | 585 | 26,0 | 20 |
| 24″ | 600,0 | 300 | 26 | 95 | 780,0 | 725 | 685 | 30,0 | 20 |
Z = CANTIDAD DE AGUJEROS
COLLARIN DE PRFV DE 1” HASTA 24”
ir a GALERÍA
ir a PRODUCTOS
